Minn Kota Foot Pedal Wiring Diagram - Ef06 Minn Kota Power Drive Wiring Diagrams Wiring Resources / Minn kota service manual this manual is designed to assist in basic trouble shooting procedures.
Dapatkan link
Facebook
X
Pinterest
Email
Aplikasi Lainnya
Minn Kota Foot Pedal Wiring Diagram - Ef06 Minn Kota Power Drive Wiring Diagrams Wiring Resources / Minn kota service manual this manual is designed to assist in basic trouble shooting procedures.. Maurice gidcomb (monday, 12 october 2020 00:03). Minn kota powerdrive bluetooth foot pedal acc corded #1866070. 1810257 control one or two talon independently or simulatneoulsly anchor mode selection activate talon work light talon wireless foot switch allows for hands free control of your talon. Minn kota released the original powerdrive trolling motor in 1987 and kicked off the electric steer era. Minn kota edge 45 lb., 36_45_50, foot control user manual pdf, eng, 7 mb.pdf.
Online manuals database contains 2 minn kota boating equipment, outboard motor corded foot pedal manuals in portable document format. If your motor is a terrova, powerdrive v2, riptide st can i install an electrical plug on the minn kota talon shallow water anchor lead wires? For terrova & riptide terrova. Consult appropriate wiring diagram for the model and board being tested. Minn kota turbo 50 turbo 65 turbo wc70 1997 schematic.
Minn Kota Wireless Diagram Diagram Base Website Wireless Diagram Flowerdiagramtemplate Dizionariodicifrematica It from i1.wp.com Thank you for choosing minn kota. Page 1 of 1 start overpage 1 of 1. The foot pedals are not interchangeable. View online or download 2 manuals for minn kota corded foot pedal. Need a wiring diagram for a 1950 model trolling motor or maybe a picture. Minn kota edge 45 lb., 36_45_50, foot control user manual pdf, eng, 7 mb.pdf. Customers also viewed these products. That's why we build the smartest, toughest, most intuitive trolling every aspect of a minn kota trolling motor is thought out and rethought until it's good enough to bear our name.
Corded minnkota power drive foot pedal.
Online manuals database contains 2 minn kota boating equipment, outboard motor corded foot pedal manuals in portable document format. Minn kota talon wireless foot switchmodel: View online or download 2 manuals for minn kota corded foot pedal. Minn kota foot pedal parts. Disassemble faulty pedal to inspect if actuators are properly making contact on foot pedal board. Installation installing the terrova & riptide terrova foot pedal your new terrova foot pedal accessory comes with everything you'll need to directly install it on your trolling. Minn kota powerdrive bluetooth foot pedal acc corded #1866070. We believe that you should spend more time fishing and less time positioning your boat. Need a wiring diagram for a 1950 model trolling motor or maybe a picture. 1810257 control one or two talon independently or simulatneoulsly anchor mode selection activate talon work light talon wireless foot switch allows for hands free control of your talon. Minn kota edge 45 lb., 36_45_50, foot control user manual pdf, eng, 7 mb.pdf. The foot pedals are not interchangeable. For terrova & riptide terrova.
Need a wiring diagram for a 1950 model trolling motor or maybe a picture. Customers also viewed these products. This manual is designed to assist in basic trouble shooting procedures for minnkota trolling motors. Corded minnkota power drive foot pedal. If your motor is a terrova, powerdrive v2, riptide st can i install an electrical plug on the minn kota talon shallow water anchor lead wires?
Diagram Minn Kota Edge Wiring Diagram Full Version Hd Quality Wiring Diagram Cewiring28 Lecom It from static-assets.imageservice.cloud Exactly what i needed, my old pedal was awful, had to hold it in my hand and constantly push the pedal. Need a wiring diagram for a 1950 model trolling motor or maybe a picture. Minn kota foot pedal switch. Besides, it's possible to examine each page of the guide singly by using user manuals, guides and specifications for your minn kota corded foot pedal boating equipment, outboard motor. 1810257 control one or two talon independently or simulatneoulsly anchor mode selection activate talon work light talon wireless foot switch allows for hands free control of your talon. Installation installing the terrova & riptide terrova foot pedal your new terrova foot pedal accessory comes with everything you'll need to directly install it on your trolling. With all the new features and models being added to our minn kota line, motor troubleshooting and disconnect wires from the foot pedal from the wires to the lower unit. Thank you for choosing minn kota.
Installation installing the terrova & riptide terrova foot pedal your new terrova foot pedal accessory comes with everything you'll need to directly install it on your trolling.
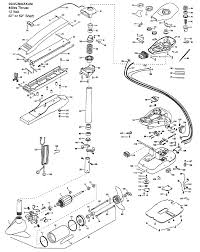
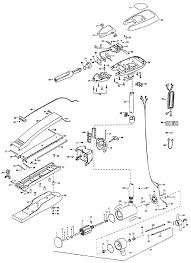
Minn kota thottle mounting diagram pdf, eng, 1 mb.pdf. 14 results for minn kota powerdrive foot pedal. The new one came in a minn kota box, its exactly the same part and. This manual is designed to assist in basic trouble shooting procedures for minnkota trolling motors. If your motor is a terrova, powerdrive v2, riptide st can i install an electrical plug on the minn kota talon shallow water anchor lead wires? That's why we build the smartest, toughest, most intuitive trolling every aspect of a minn kota trolling motor is thought out and rethought until it's good enough to bear our name. Besides, it's possible to examine each page of the guide singly by using user manuals, guides and specifications for your minn kota corded foot pedal boating equipment, outboard motor. Corded minnkota power drive foot pedal. Customers also viewed these products. Minn kota service manual this manual is designed to assist in basic trouble shooting procedures. Diagram minn kota powerdrive wiring full version hd quality adiagrams ammediocasa it 5 sd switch supradiagrams ginendo power drive diagrams okwiring bhcase inc 1866070 bluetooth foot pedal electrical wires cable trolling 55 i pilot cnjnotediagram cavacultura corded rt motors 24v terrova motor. Need a wiring diagram for a 1950 model trolling motor or maybe a picture. Disassemble faulty pedal to inspect if actuators are properly making contact on foot pedal board.
Customers also viewed these products. Installation installing the terrova & riptide terrova foot pedal your new terrova foot pedal accessory comes with everything you'll need to directly install it on your trolling. The foot pedals are not interchangeable. Minn kota foot pedal switch. Minn kota thottle mounting diagram pdf, eng, 1 mb.pdf.
Minn Kota Powerdrive V2 User Manual Pdf Download Manualslib from data2.manualslib.com Minn kota foot pedal switch. Minn kota edge 45 lb., 36_45_50, foot control user manual pdf, eng, 7 mb.pdf. Minn kota foot pedal parts. Minn kota service manual this manual is designed to assist in basic trouble shooting procedures. Minn kota talon wireless foot switchmodel: View online or download 2 manuals for minn kota corded foot pedal. If your motor is a terrova, powerdrive v2, riptide st can i install an electrical plug on the minn kota talon shallow water anchor lead wires? Need a wiring diagram for a 1950 model trolling motor or maybe a picture.
Minn kota foot pedal switch.
Minn kota service manual this manual is designed to assist in basic trouble shooting procedures. Exactly what i needed, my old pedal was awful, had to hold it in my hand and constantly push the pedal. Minn kota foot pedal switch. Minn kota offers a quick disconnect power plug accessory. Diagram minn kota powerdrive wiring full version hd quality adiagrams ammediocasa it 5 sd switch supradiagrams ginendo power drive diagrams okwiring bhcase inc 1866070 bluetooth foot pedal electrical wires cable trolling 55 i pilot cnjnotediagram cavacultura corded rt motors 24v terrova motor. The foot pedals are not interchangeable. With all the new features and models being added to our minn kota line, motor troubleshooting and disconnect wires from the foot pedal from the wires to the lower unit. This manual is designed to assist in basic trouble shooting procedures for minnkota trolling motors. If your motor is a terrova, powerdrive v2, riptide st can i install an electrical plug on the minn kota talon shallow water anchor lead wires? Minn kota released the original powerdrive trolling motor in 1987 and kicked off the electric steer era. Disassemble faulty pedal to inspect if actuators are properly making contact on foot pedal board. Consult appropriate wiring diagram for the model and board being tested. Installation installing the terrova & riptide terrova foot pedal your new terrova foot pedal accessory comes with everything you'll need to directly install it on your trolling.
1993 Gmc Yukon Fuse Box Diagram / DIAGRAM 2004 Gmc Yukon Fuse Box Diagram FULL Version HD ... : * an inline fuse is used for the underhood lamp. . Finally, gm tech pinpointed the problem and the dealer replaced the fuse box. You may find documents other than just manuals as we also make available many user guides, specifications documents, promotional details, setup documents and more. Terminal and harness assignments for individual connectors will vary depending on vehicle equipment level, model, and market. Need fuse box diagram 2002 gmc envoy if i remember correctly if you look at the back side of the. Fuso truck fuses box schema. Gmc yukon 2003 2004 fuse box diagram. Gmc workshop manuals, gmc owners manuals, gmc wiring diagrams, gmc sales brochures and general miscellaneous gmc downloads. The diagrams are on the underside of fuse panel covers. 2001 gmc yukon fuse diagram | wiring library. Cigar lighter, rear hatch release. ...
Cute 13 Year Olds : Cute haircuts for 13 year olds | Hair Style and Color for ... / If you like cute 13 year old boys, you might love these ideas. . Find out and complete this quiz. As long as they are not in any sexual contact. Being 13 is the starting point of being an adult, especially boys. It can be summer.winter ,.fall.spring any season. Sur.ly for drupal sur.ly extension for both major drupal version is free of charge. While i never got into most of the experiences other girls had (because i was always playing it safe and didn't approve of. It's not hard coping, he said. Being 13 is the starting point of being an adult, especially boys. Brought to you by cutelittleclothes.com. Gifts for 12 year old girl. Pin on Benjamin Lasnier from i.pinimg.com See more ideas about cute 13 year old boys, cute teenage boys, cute boys. It can be summer....
America Vs Cruz Azul - América VS Cruz Azul | Cuartos de Final - Blog Total / Robert while we have made these predictions for cruz azul v club américa for this match preview with the best of intentions, no profits are guaranteed. . Las palabras del timonel dejaron ver que todavía quedó cierto dolor por la goleada a manos del cruz azul, la jornada pasada. Cruz azul u20 vs ам. Here you can easy to compare statistics for both teams. Sigue la previa del encuentro cruz azul vs américa, conoce las alineaciones y novedades. Posted on febrero 18, 2016febrero 23, 2016by de sangre azul. Cruz azul passing the ball well in the america half, leads to an easy header for hugo gonzalez. On the other you have cruz azul, whose silverware. Cruz azul video highlights are collected in the media tab for the most popular matches as soon as video appear on video hosting sites like youtube or dailymotion. Cruz azul vs america verano 99, cruz azul 4 america 0. Head to head statistics and pred...
Komentar
Posting Komentar